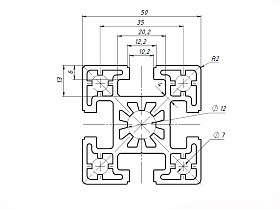
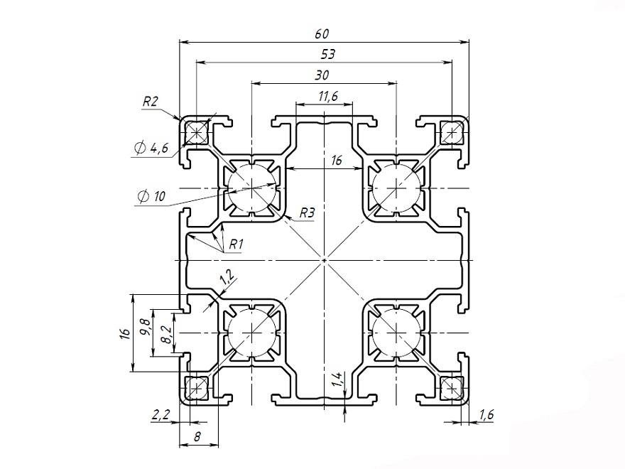
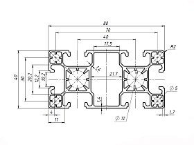
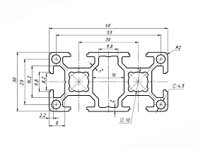
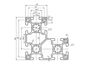
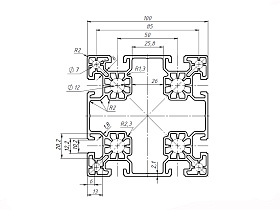
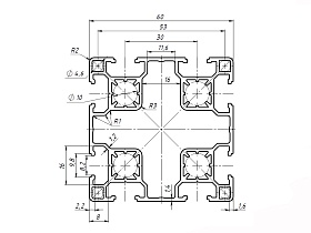
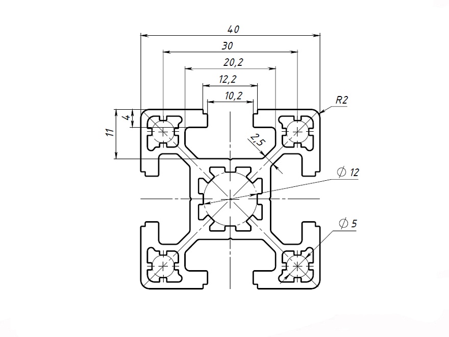
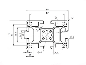
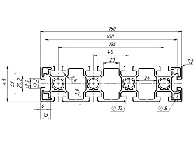
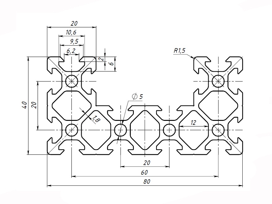
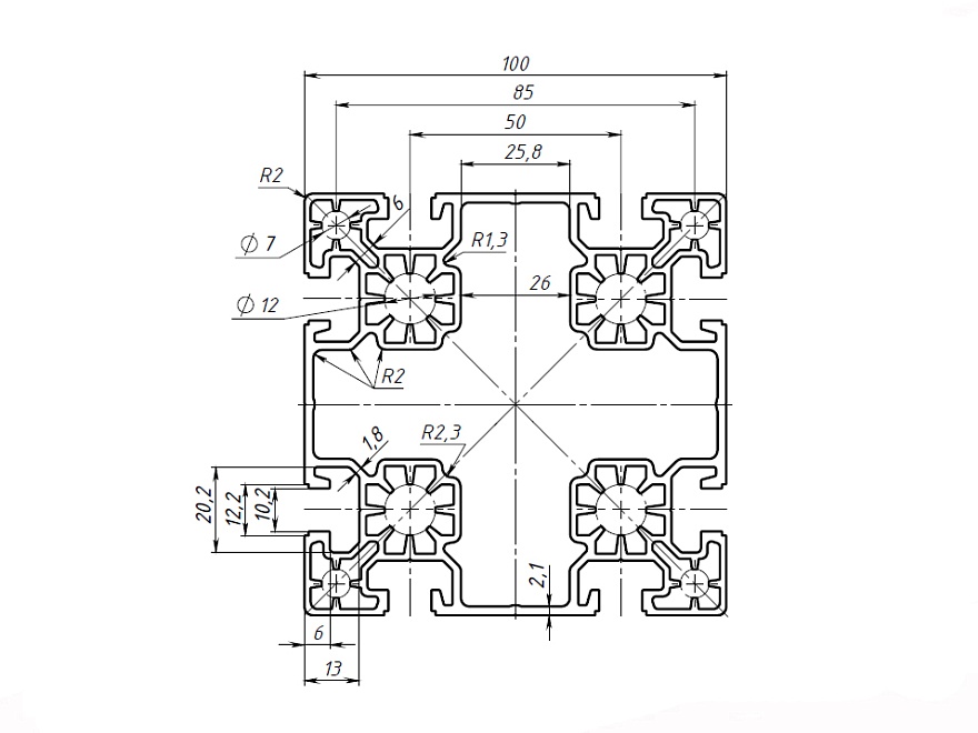
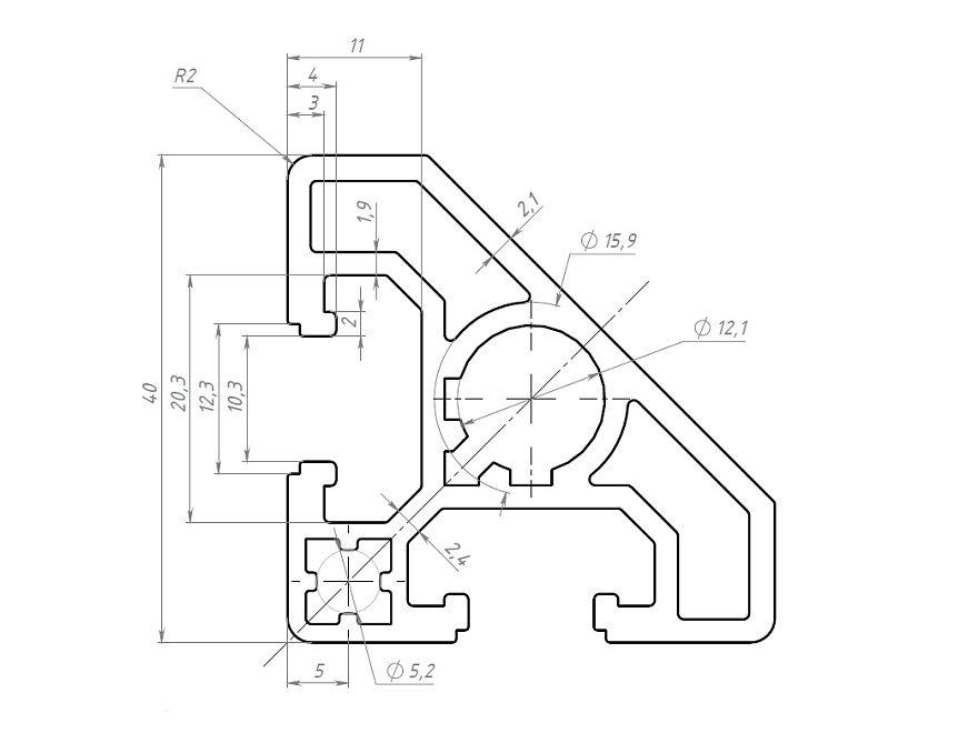
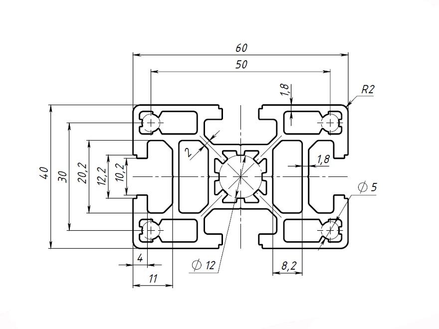
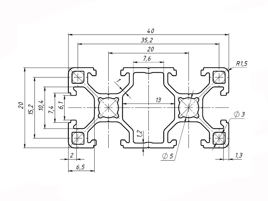
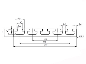
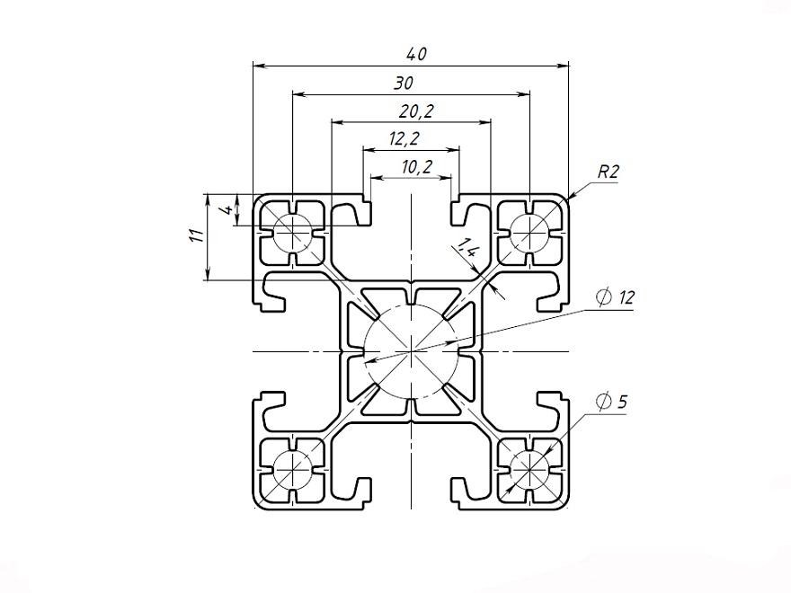
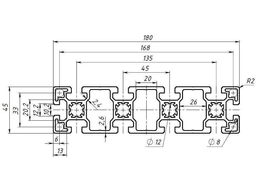
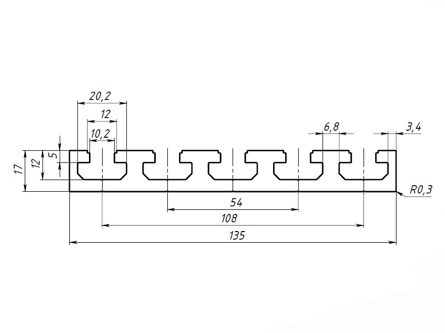
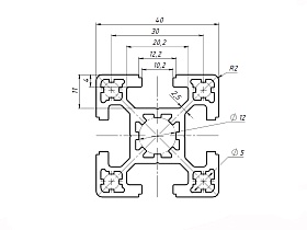
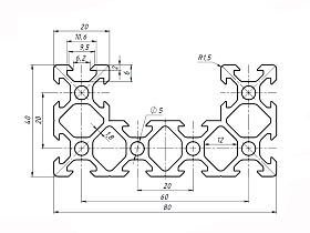
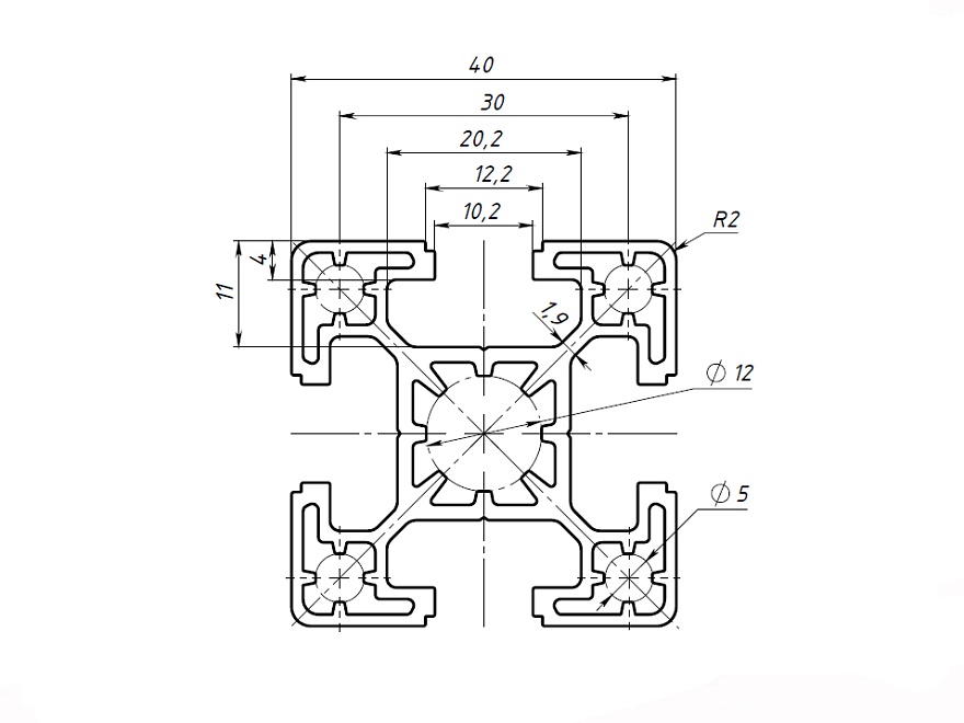
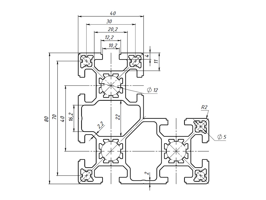
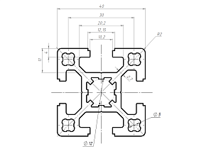
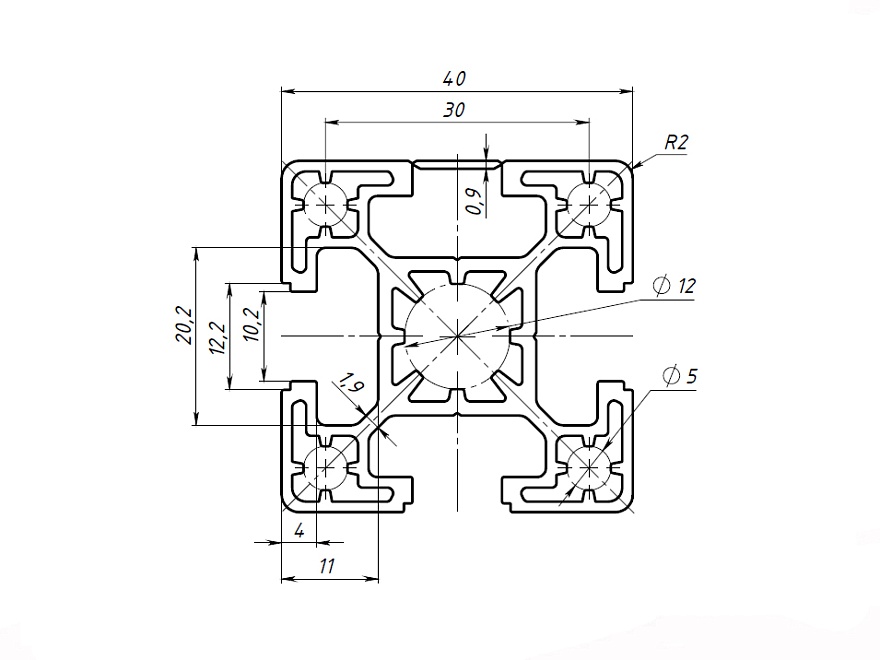
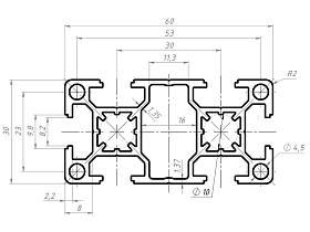
Конструкционный профиль и соединительные элементы
Мы предлагаем качественную стержневую систему из алюминиевых конструкционных профилей различных серий, которая отлично подходит для применения в самых разных областях.
Преимущества нашего профиля
Изготавливается в России
Благодаря производству на российских заводах мы можем гарантировать высокий уровень складских запасов и сократить сроки поставки.
01
02
03
04
05
06
07
08
Преимущества нашего профиля
Анодированная поверхность предотвращает коррозию
Анодированная поверхность алюминиевых профилей надежно защищает их от коррозии, продлевая срок службы конструкций в агрессивных средах.
01
02
03
04
05
06
07
08
Преимущества нашего профиля
Возможность фрезеровки и нарезания резьбы
Алюминиевые профиля легко поддаются фрезеровке и нарезанию резьб, что упрощает их адаптацию под конкретные задачи и увеличивает функциональность
01
02
03
04
05
06
07
08
Преимущества нашего профиля
Лёгкость и простота подрезки профиля
Профили легко подрезаются под нужные размеры, что позволяет быстро и точно подогнать их под параметры проекта.
01
02
03
04
05
06
07
08
Преимущества нашего профиля
Простота и удобство монтажа без сварки
Монтаж профилей без сварки упрощает сборку, снижает затраты и позволяет легко разбирать и модифицировать конструкции.
01
02
03
04
05
06
07
08
Преимущества нашего профиля
Быстрое изменение конструкции и конфигураций
Конструкции легко модифицируются и адаптируются под новые требования, что сокращает время простоя и повышает эффективность.
01
02
03
04
05
06
07
08
Преимущества нашего профиля
Гибкость, модернизация и трансформация конструкций
Профили обеспечивают высокую гибкость при проектировании, легко модернизируются и трансформируются, адаптируясь под новые задачи.
01
02
03
04
05
06
07
08
Преимущества нашего профиля
- Отсутствие необходимости в дополнительных работах после сборки
- Универсальность применения в различных отраслях промышленности
- Возможность повторного использования
- Лёгкий вес при высокой прочности
01
02
03
04
05
06
07
08
