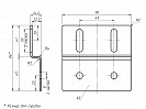
Крепление для сетки, 45 серия, пластина 90х90, F67 Арт. F67
технические характеристики
| Паз: | 10 |
| Серия: | 45 |
| Масса: | 0,1285 кг / шт |
| Материал: | сталь 2 мм |
| Покрытие: | порошковая окраска |
Описание товара
Крепление для сетки и листа 45 серии представляет собой универсальную систему крепления, предназначенную для надежной фиксации сеток и листовых материалов в различных областях применения. Эта система крепления обеспечивает прочную и долговечную связь между материалами, гарантируя безопасность и стабильность конструкции.