каталог товаров

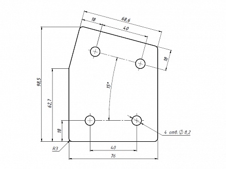
У-соединитель 15 градусов 4 отв, паз 10, F54 Арт. F54

штука
технические характеристики
Паз: 10
Серия: 40
Масса: 0,154 кг / шт
Материал: сталь 3 мм
Покрытие: порошковая окраска

Описание товара

У-соединитель 15 градусов предназначен для углового соединения алюминиевых конструкционных профилей серии 40 под углом 15 градусов.