каталог товаров

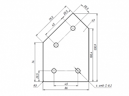
У-соединитель 45 градусов 4 отв, паз 10, B63 Арт. B63

штука
технические характеристики
Паз: 10
Серия: 45
Масса: 0,212 кг / шт
Материал: сталь 3 мм
Покрытие: порошковая окраска

Описание товара

   У-соединитель 45 градусов предназначен для углового соединения алюминиевых конструкционных профилей серии 45 под углом 45 градусов.