каталог товаров

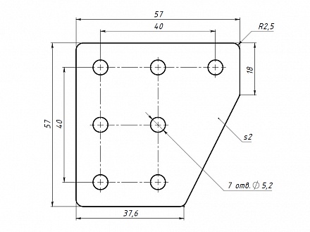
Г-соединитель 60х60, паз 6, отв.7, L64 Арт. L64

штука
технические характеристики
Паз: 6
Серия: 20
Масса: 0,044 кг / шт
Материал: сталь 2 мм
Покрытие: порошковая окраска

Описание товара

   Г-соединитель 60х60 предназначен для Г-соединения алюминиевых конструкционных профилей серии 20 под углом 90 градусов.