каталог товаров

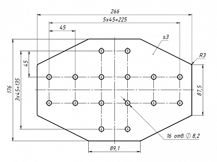
Х-соединитель 180х270, паз 10, A40 Арт. A40

штука
технические характеристики
Паз: 10
Серия: 45
Масса: 0,896 кг / шт
Материал: сталь 3 мм
Покрытие: порошковая окраска

Описание товара

   X-соединитель 180x270 предназначен для соединения алюминиевых конструкционных профилей серии 45 под углом 90 градусов.