каталог товаров
СОБЕРИЗАВОД

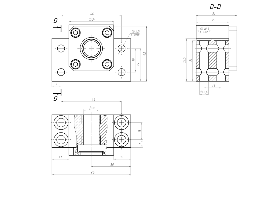
Опора ходового винта BK-12, B602 Арт. B602

штука
технические характеристики
Серия: BK
Масса: 0,389 кг / шт
Материал: СТ45
Точность: C7
Внутренний диаметр: 12 мм

Описание товара

Опора ходового винта серии BK — это фиксирующая опора для приводного конца в горизонтальных кинематических схемах. Она обеспечивает жесткое закрепление винта, воспринимая как осевые, так и радиальные нагрузки. В ее конструкции используются два радиально-упорных подшипника, которые жестко фиксируются в корпусе, что исключает люфты и обеспечивает высокую точность позиционирования. Корпус опоры позволяет осуществлять универсальное крепление – как параллельно, так и перпендикулярно плоскости основания. Широко используется в станках с ЧПУ, автоматизированных модулях и другом промышленном оборудовании, где требуется высокая точность и жесткость. Рекомендуется использовать в паре с поддерживающей опорой серии BF на противоположном конце винта для компенсации теплового расширения.