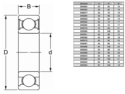
Подшипник 206 А BG ( 6206 ) 30х62х16, BR0062 Арт. BR0062
технические характеристики
| Производитель: | BG |
| Масса: | 0.2 кг / шт |
| Материал: | сталь SHX15 |
| Стандарт по ГОСТ: | 206 |
| Стандарт по DIN: | 6206 |
| Внешний диаметр: | 62 мм |
| Внутренний диаметр: | 30 мм |
| Ширина: | 16 мм |
| Тип: | шариковый |
| Тип конструкции: | однорядный, открытый |
| Тип тел качения: | шарики |
| Нагрузка: | преимущественно радиальная |
| Система уплотнений: | открытая конструкция |
| Макс. частота вращения: | 11000 об/мин |
| Динамическая грузоподъемность: | 19.5 кН |
| Статическая грузоподъемность: | 11.2 кН |
Описание товара
Радиальный шариковый узел 206 А BG 30х62х16 мм (6206) для электродвигателей, редукторов, насосов и трансмиссий. Отличается повышенной радиальной грузоподъемностью и стабильностью работы при умеренных скоростях вращения. Применяется в узлах с обильной смазкой или масляной ванной.