каталог товаров
СОБЕРИЗАВОД

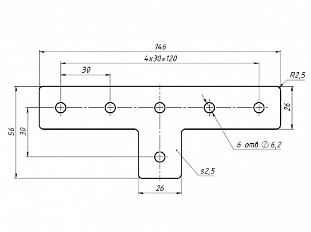
Т-соединитель 60 х150В, паз 8, C54 Арт. C54

штука
технические характеристики
Паз: 8
Серия: 30
Масса: 0,104 кг / шт
Материал: сталь 2.5 мм
Покрытие: порошковая окраска

Описание товара

   Т-соединитель 60x150B предназначен для  углового соединения алюминиевых конструкционных профилей серии 30 под углом 90 градусов.