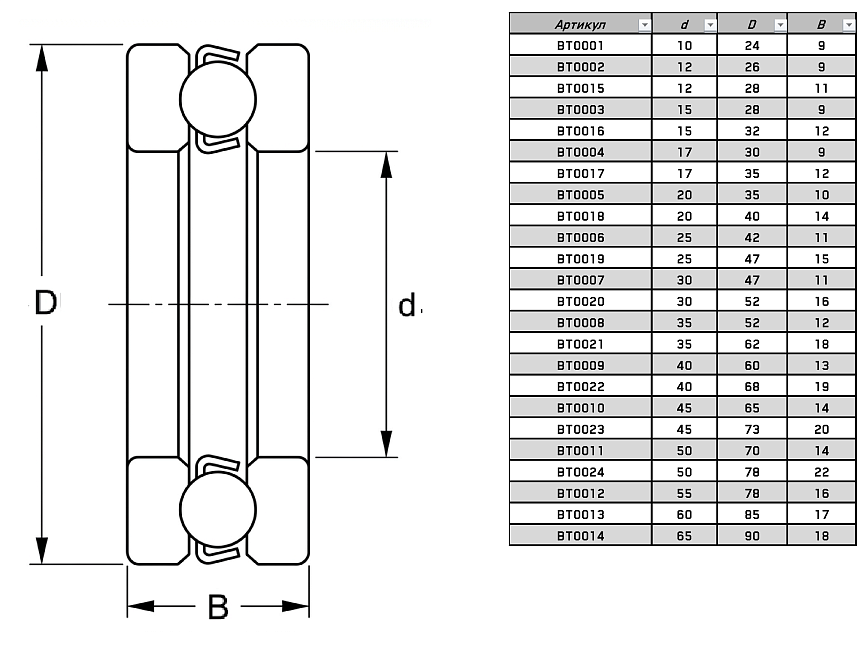
Подшипник 8106 NTL ( 51106 ) 30х47х11, BT0007 Арт. BT0007
технические характеристики
| Производитель: | NTL |
| Масса: | 0.068 кг / шт |
| Материал: | сталь SHX15 |
| Стандарт по ГОСТ: | 8106 |
| Стандарт по DIN: | 51106 |
| Внешний диаметр: | 47 мм |
| Внутренний диаметр: | 30 мм |
| Ширина: | 11 мм |
| Тип: | шариковый |
| Тип конструкции: | однорядный, открытый |
| Тип тел качения: | шарики |
| Нагрузка: | осевая в одну сторону |
| Система уплотнений: | отсутствует |
| Макс. частота вращения: | 6000 об/мин |
| Динамическая грузоподъемность: | 17.2 кН |
| Статическая грузоподъемность: | 38.2 кН |
Описание товара
Упорный шарикоподшипник 8106 NTL 30х47х11 мм (51106) для восприятия односторонних осевых усилий. Применяется в поворотных столах, натяжных устройствах и механизмах подач.