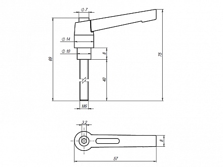
Винт с рукояткой М6х40, A397 Арт. A397
технические характеристики
| Паз: | 6,8,10 |
| Серия: | 20,30,40,45,50 |
| Масса: | 0,027 кг / шт |
| Материал: | сталь + алюминий |
| Резьба: | M6 |
| Длина винта/высота гайки: | 40 мм |
| Шаг: | 1 мм |
Описание товара
Для закручивания и откручивания винта можно использовать как шестигранную головку, так и рукоятку, что очень удобно при подвижных соединениях